| |
|
| XHZ-6.3~XHZ-125型外形尺寸 |
型号 |
A |
A1 |
A2 |
A3 |
A4 |
A5 |
B |
B1 |
B2 |
B3 |
B4 |
B5 |
XHZ-6.3 |
1100 |
1640 |
410 |
70 |
70 |
350 |
700 |
980 |
110 |
235 |
190 |
90 |
XHZ-10 |
XHZ-16 |
1400 |
1935 |
400 |
80 |
0 |
420 |
850 |
1250 |
140 |
200 |
0 |
112 |
XHZ-25 |
XHZ-40 |
1800 |
2400 |
380 |
100 |
350 |
490 |
1200 |
1610 |
150 |
300 |
200 |
130 |
XHZ-63 |
XHZ-100 |
2400 |
2980 |
350 |
100 |
100 |
680 |
1400 |
1800 |
150 |
450 |
200 |
130 |
XHZ-125 |
|
| |
型号 |
B6 |
B7 |
B8 |
H1 |
H2 |
H3 |
H4 |
H5 |
H6 |
H7 |
H8 |
H9 |
XHZ-6.3 |
150 |
80 |
430 |
590 |
1240 |
715 |
49*0 |
230 |
270 |
220 |
290 |
510 |
XHZ-10 |
XHZ-16 |
125 |
200 |
495 |
650 |
1300 |
800 |
550 |
250 |
270 |
290 |
360 |
683 |
XHZ-25 |
XHZ-40 |
160 |
200 |
600 |
890 |
1540 |
1060 |
780 |
280 |
400 |
395 |
380 |
775 |
XHZ-63 |
XHZ-100 |
100 |
70 |
495 |
1040 |
1690 |
1330 |
920 |
380 |
400 |
370 |
610 |
980 |
XHZ-125 |
|
1、回油口法兰连接尺寸按JB/T81《凸面板式平焊接钢制管法兰》(PN=1MPa)的规定。
2、上列稀油润滑装置均无地脚螺栓孔。 |
| |
|
|
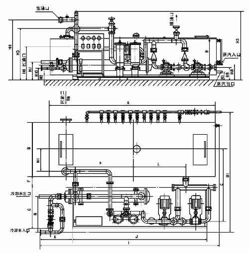
图1-2-3 XHZ-160~XHZ-500 型外形图 |
| 六、外形尺寸 |
型号 |
A |
B |
B1 |
C |
E |
F |
G |
H |
H1 |
H2 |
H3 |
H4 |
H5 |
XHZ-160 |
3840 |
1700 |
3870 |
2250 |
1150 |
1900 |
1300 |
1440 |
390 |
140 |
1950 |
1688 |
1400 |
XHZ-200 |
1860 |
XHZ-250 |
5200 |
1800 |
4463 |
2575 |
1875 |
2325 |
1500 |
1350 |
410 |
160 |
2200 |
1960 |
1650 |
XHZ-315 |
XHZ-400 |
6100 |
2000 |
4665 |
2800 |
2250 |
2770 |
1600 |
1600 |
430 |
180 |
2900 |
2340 |
2000 |
XHZ-500 |
|
| |
型号 |
H6 |
H7 |
H8 |
H9 |
H10 |
J |
K |
L |
N |
N1 |
P |
DN |
XHZ-160 |
1250 |
622 |
818 |
400 |
422 |
4200 |
700 |
4900 |
1150 |
600 |
500 |
125 |
XHZ-200 |
XHZ-250 |
1220 |
610 |
838 |
440 |
375 |
4500 |
760 |
5750 |
1400 |
650 |
500 |
150 |
XHZ-315 |
XHZ-400 |
1400 |
737 |
858 |
480 |
502 |
5000 |
1200 |
6640 |
1325 |
750 |
500 |
200 |
XHZ-500 |
|
| |
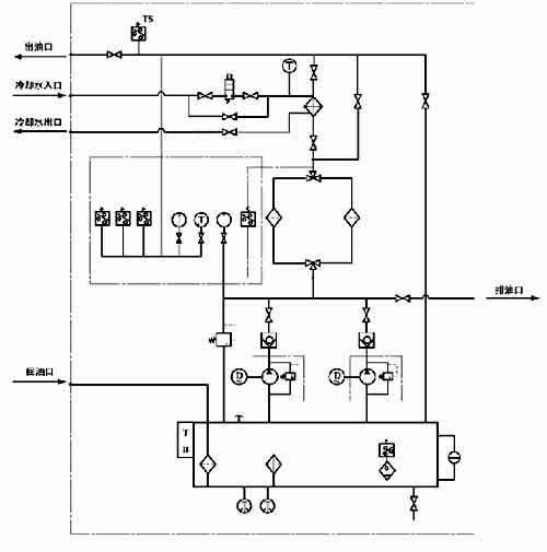
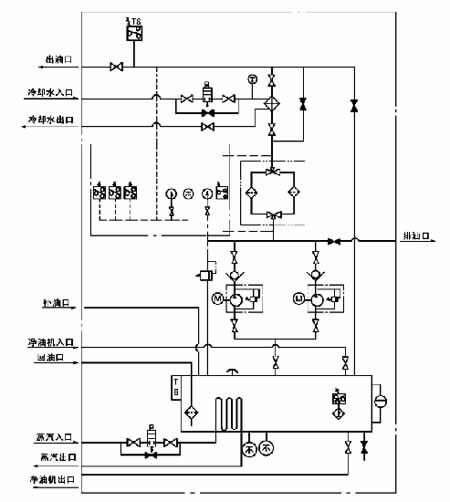
|
图1-2-4 XHZ-160~XHZ-500 原理图 |
|
图1-2-5 XHZ-160~XHZ-500 地基尺寸图 |
| |
| |
|
| |
|