| 一、结构特点及应用范围 |
| AVE型油气分配混合器,它是一种由铝合金材料制造的容积定量式结构的油气分配混合器,设有一个进油口、一个进气口、1~8个油气出口。主要适用于单线卸压式油气润滑系统中。 |
|
|
| 二、技术参数 |
型 号 |
进油压力 |
进气压力 |
油气出口数 |
L |
H |
| AVE1-* |
>2MPa |
0.4~0.6MPa |
1 |
44 |
30 |
| AVE2-*/* |
2 |
64 |
50 |
| AVE3-*/*/* |
3 |
84 |
70 |
| AVE4-*/*/*/* |
4 |
104 |
90 |
| AVE5-*/*/*/*/* |
5 |
124 |
110 |
| AVE6-*/*/*/*/*/* |
6 |
144 |
130 |
| AVE7-*/*/*/*/*/*/* |
7 |
164 |
150 |
| AVE8-*/*/*/*/*/*/*/* |
8 |
184 |
170 |
|
给油系列号* |
排 量 |
10 |
0.1ml/cycle |
20 |
0.2ml/cycle |
30 |
0.3ml/cycle |
40 |
0.4ml/cycle |
|
|
| 适用过滤精度25m,粘度≤760cSt/40℃的润滑油;环境温度0℃~40℃。 |
|
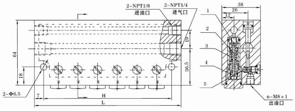
1-密封垫 2-阀芯 3-阀套 4-弹簧 5-橡胶球 |
| 三、型号说明 |
|
| 四、动作说明 |
| 从进油口处进入的压力油,在油压的作用下件1下移,紧贴在件2上端面封住了通油通道,同时打开了进油通道向件3上腔充油,件3在油压作用下克服件4弹簧力向下移动,则件3下腔的油顶开件5进入混合腔,在压缩空气的作用下经混合后的油气从油气出口排出。供油主管卸荷后,件1上部油压低并且件3在件4的作用下向上回位,件3上腔充入的油经已打开的件2上端面流道孔进入件3下腔储存,为下一循环供油作好准备。各口的供气量可通过节流螺丝的开口大小进行调节。 |
| 五、使用要领 |
1、必须在规定的环境下使用规定范围的介质。
2、压缩空气接口必须与本油气系统专属的压缩空气网络管路连接,严禁与其它来历不明的气源管路连接,以免发生意外。
3、油气分配混合器的安装位置优先考虑安装在工况条件好,温差弯化小,无腐蚀性介质影响的部位,决不允许安装在长时间受高温辐射烘烤的场合使用。 |