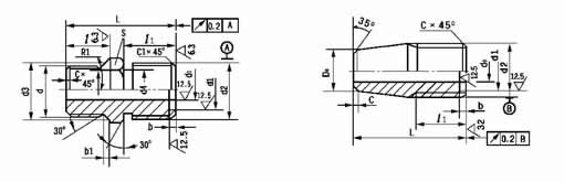
| 双向接头体(JB/ZQ4430-86)、焊接接头体(JB/ZQ4431-86),材料均为35号钢 |
|
标记示例:
(a)公称通径DN为40mm的双向接头体:接头体40 JB/ZQ4430-86
(b)公称通径DN为40mm的焊接接头体:接头体40 JB/ZQ4431-86 |
双向接头体、焊接接头体 |
双向接头体 |
焊接接头体 |
公称
通径
DN |
do |
d1 |
d2 |
b |
d |
d3 |
d4 |
l |
L |
b1 |
R1 |
C |
S |
重
量
kg |
Do |
L |
C |
重
量
kg |
基本
尺寸 |
极限
偏差 |
l1 |
0-0.05 |
C1 |
6 |
4 |
11 |
+0.035
0 |
M16×1.5 |
12 |
1.4 |
1 |
M10×1 |
10.5 |
8.4 |
8 |
26 |
2 |
1 |
0.7 |
18 |
0.031 |
10 |
30 |
1.5 |
0.04 |
8 |
7 |
16 |
M22×1.5 |
13 |
1.8 |
1 |
M14×1.5 |
14.5 |
11.7 |
12 |
33 |
3 |
1.5 |
1 |
21 |
0.07 |
14 |
35 |
1.5 |
0.05 |
10 |
11 |
20 |
+0.045
0 |
M27×1.5 |
14 |
1.8 |
1 |
M18×1.5 |
18.5 |
15.7 |
12 |
35 |
3 |
1.5 |
1 |
27 |
0.09 |
18 |
38 |
1.5 |
0.08 |
15 |
13 |
24 |
M30×1.5 |
15 |
1.8 |
1 |
M22×1.5 |
22.5 |
19.7 |
14 |
38 |
3 |
1.5 |
1 |
30 |
0.13 |
22 |
40 |
1.5 |
0.10 |
20 |
17 |
30 |
M36×2 |
18 |
2.4 |
1.5 |
M27×2 |
27.5 |
24 |
16 |
44 |
3.5 |
2 |
1.5 |
36 |
0.26 |
28 |
45 |
2.5 |
0.12 |
25 |
22 |
35 |
+0.05
0
|
M42×2 |
22 |
2.4 |
1.5 |
M33×2 |
33.5 |
30 |
16 |
52 |
3.5 |
2 |
1.5 |
46 |
0.41 |
34 |
52 |
3 |
0.20 |
32 |
28 |
40 |
M52×2 |
22 |
2.4 |
1.5 |
M42×2 |
42.5 |
39 |
18 |
56 |
3.5 |
2 |
1.5 |
55 |
0.61 |
42 |
58 |
4 |
0.40 |
40 |
33 |
45 |
M60×2 |
26 |
2.4 |
1.5 |
M48×2 |
48.5 |
45 |
20 |
64 |
3.5 |
2 |
1.5 |
60 |
0.93 |
50 |
60 |
5 |
0.60 |
50 |
42 |
55 |
M68×2 |
28 |
2.4 |
1.5 |
M60×2 |
60.5 |
57 |
24 |
72 |
3.5 |
2 |
1.5 |
70 |
1.40 |
57 |
70 |
5 |
0.95 |
|
| 锥密封钢丝(及棉线)编织胶管总成JB/T(6142.1~.4)-92 |
|
锥密封式胶管接头用于油、气、水为介质的钢丝编织胶管接头。介质温度:油-30~+80℃;空气-30~+50℃;水:+80℃以下。
标记示例:(a)公称通径DN6,L=1000mm,工作压力40MPa的锥密封Ⅲ层钢丝编织胶管总成:胶管总成6Ⅲ-1000
(b)公称通径DN10,D=M22×1.5,L=1000mm,工作压力1.5MPa的锥密封棉线编织胶管总成:胶管总成10/M22×1.5-1000 |
名称 |
胶管
内径
d1 |
公称
通径
DN |
工作压力
MPa |
增强层外径(max) |
扣压直径D1 |
do |
D |
S |
lo |
l |
l1 |
l2 |
两端重量
kg |
I |
II |
III |
I |
II |
III |
I |
II |
III |
I |
II |
III |
(a)
锥
密封
钢丝
编织
胶管
接头 |
5 |
4 |
21 |
37 |
45 |
10.1 |
11.7 |
13.5 |
15 |
16.7 |
18.5 |
2.5 |
M16×1.5 |
21 |
31 |
23 |
59 |
27 |
0.14 |
0.16 |
0.18 |
6.3 |
6 |
20 |
25 |
40 |
11.7 |
13.3 |
15.1 |
17 |
18.7 |
20.5 |
3.5 |
M18×1.5 |
21 |
41 |
29 |
71 |
35 |
0.20 |
0.22 |
0.24 |
8 |
8 |
17.5 |
30 |
33 |
13.3 |
14.9 |
16.7 |
19 |
20.7 |
22.5 |
5 |
M20×1.5 |
24 |
41 |
29 |
74 |
35 |
0.28 |
0.30 |
0.32 |
10 |
10 |
16 |
28 |
31 |
15.7 |
17.3 |
19.1 |
21 |
22.7 |
24.5 |
7 |
M22×1.5 |
27 |
41 |
29 |
75 |
35 |
0.34 |
0.36 |
0.38 |
12.5 |
10 |
14 |
25 |
27 |
19.1 |
20.7 |
22.5 |
25.2 |
28.0 |
29.5 |
8 |
M24×1.5 |
30 |
47 |
34 |
81 |
41 |
0.46 |
0.20 |
0.56 |
16 |
15 |
10.5 |
20 |
22 |
22.2 |
23.8 |
25.6 |
28.2 |
31 |
32.5 |
10 |
M30×2 |
36 |
47 |
34 |
81 |
41 |
0.60 |
0.34 |
0.68 |
19 |
20 |
9 |
16 |
18 |
26.2 |
27.8 |
29.6 |
31.2 |
34 |
35.58 |
13 |
M33×2 |
41 |
52 |
39 |
90 |
46 |
0.78 |
0.84 |
0.90 |
22 |
20 |
8 |
14 |
16 |
29.4 |
31.0 |
32.8 |
34.2 |
37 |
38.5 |
17 |
M36×2 |
41 |
52 |
39 |
91 |
46 |
1.10 |
1.12 |
1.14 |
25 |
25 |
7 |
13 |
15 |
33.0 |
34.8 |
36.6 |
38.2 |
40 |
41.5 |
19 |
M42×2 |
50 |
57 |
42 |
100 |
49 |
1.32 |
1.34 |
1.38 |
31.5 |
32 |
4.4 |
11 |
12 |
39.7 |
41.5 |
43.3 |
46.5 |
48 |
49.5 |
24 |
M45×2 |
55 |
64 |
48 |
107 |
56 |
1.64 |
1.66 |
1.68 |
38 |
40 |
3.5 |
9 |
- |
46.1 |
47.9 |
- |
52.5 |
54 |
- |
30 |
M56×2 |
65 |
69 |
53 |
112 |
61 |
2.00 |
2.10 |
- |
51 |
50 |
2.6 |
8 |
- |
59.0 |
62.8 |
- |
65.5 |
69.5 |
- |
40 |
M68×2 |
80 |
69 |
53 |
120 |
61 |
3.90 |
4.00 |
- |
|
名称 |
公称
通径
DN |
胶管
内径
d1 |
胶管
外径
D2 |
工作
压力
MPa |
扣压直径D1 |
do |
D |
S |
lo |
l |
l1 |
l2 |
两端
重量
kg |
(b)
锥
密
封
棉
线
编
织
胶
管
接
头
|
4 |
5±0.3 |
13 |
2 |
18.5 |
2.5 |
M16×1.5 |
21 |
31 |
23 |
59 |
27 |
0.18 |
6 |
6±0.3 |
15 |
2 |
20 |
3.5 |
M18×1.5 |
21 |
41 |
29 |
71 |
36 |
0.24 |
8 |
8±0.5 |
16 |
2 |
21 |
5 |
M20×1.5 |
24 |
41 |
29 |
74 |
35 |
0.28 |
10 |
10±0.8 |
19 |
1.5 |
24.5 |
7 |
M22×1.5 |
27 |
41 |
29 |
75 |
35 |
0.36 |
10 |
13±0.8 |
22 |
1.5 |
27 |
8 |
M24×1.5 |
30 |
47 |
34 |
81 |
41 |
0.46 |
15 |
16±0.8 |
26 |
1 |
31 |
10 |
M30×1.5 |
36 |
47 |
34 |
81 |
41 |
0.66 |
20 |
19±0.8 |
30 |
1 |
35.5 |
13 |
M33×2 |
41 |
52 |
39 |
90 |
46 |
0.84 |
20 |
22±0.8 |
33 |
1 |
38.5 |
17 |
M36×2 |
41 |
52 |
39 |
91 |
46 |
1.10 |
25 |
25±0.8 |
36 |
1 |
42.5 |
19 |
M42×2 |
50 |
57 |
42 |
100 |
49 |
1.38 |
32 |
32±1.2 |
43 |
1 |
49 |
24 |
M45×2 |
56 |
64 |
48 |
107 |
56 |
1.74 |
40 |
38±1.2 |
49 |
1 |
55.5 |
30 |
M56×2 |
65 |
69 |
53 |
112 |
61 |
2.10 |
50 |
51±1.2 |
63 |
1 |
70.5 |
40 |
M68×2 |
80 |
69 |
53 |
120 |
61 |
3.72 |
|