|
|
|
| |
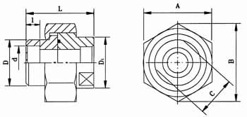
钢管用插入焊接式接头 |
| ● 活接头 |
|
代号(订货号) |
管子外径(D0) |
d+0.4
+0.2 |
D |
D1 |
L |
I |
A |
B |
C |
“O”型密封圈 |
重量(kg) |
对应号 |
ZY437.1.00 |
14 |
14.5 |
22 |
24 |
38 |
10 |
32 |
36.9 |
21 |
20×2.4 |
0.152 |
YF02.1 |
ZY437.2.00 |
18 |
185 |
27 |
30 |
38 |
10 |
41 |
47.3 |
26 |
30×3.1 |
0.262 |
TF02.2 |
ZY437.3.00 |
22 |
22.5 |
32 |
35 |
44 |
10 |
50 |
57.7 |
32 |
35×3.1 |
0.357 |
YF02.3 |
ZY437.4.00 |
28 |
28.5 |
38 |
42 |
50 |
13 |
60 |
69.3 |
38 |
40×3.1 |
0.686 |
YF02.4 |
ZY437.5.00 |
34 |
34.5 |
47 |
52 |
56 |
13 |
70 |
80.8 |
46 |
45×3.1 |
1.02 |
YF02.5 |
|
| 标记示例:活接头8 ZY437.1.00 |
| ● 高压法兰 |
|
代号(订货号) |
管子外径(D0) |
d+0.4
+0.2 |
e |
A |
B |
C |
D |
“O”型密封圈
GB1235-76 |
重量(kg) |
对应号 |
ZY438.3.00 |
34 |
34.5 |
14 |
80 |
53 |
28 |
13 |
35×3.1 |
2.53 |
YF03.1 |
ZY438.4.00 |
42 |
42.5 |
16 |
90 |
63 |
28 |
13 |
45×3.1 |
3.02 |
YF03.2 |
ZY438.5.00 |
48 |
48.5 |
18 |
100 |
70 |
36 |
18 |
55×3.1 |
4.09 |
YF03.3 |
ZY438.6.00 |
60 |
61 |
20 |
112 |
80 |
36 |
18 |
65×3.1 |
5.72 |
YF03.4 |
|
| 标记示例:高压法兰34 ZY438.3.00 |
| ● 终端法兰 |
|
代号(订货号) |
管子外径(D0) |
D |
L1 |
L2 |
B |
B1 |
“O”型密封圈
GB1235-76 |
d |
重量(kg) |
对应号 |
ZY624.1.00 |
34 |
34.5 |
80 |
53 |
28 |
14 |
35×3.1 |
14 |
2.89 |
YF04.1 |
ZY624.2.00 |
42 |
42.5 |
90 |
63 |
16 |
45×3.1 |
16 |
3.45 |
YF04.2 |
ZY624.3.00 |
48 |
48.5 |
100 |
70 |
36 |
18 |
55×3.1 |
18 |
5.78 |
YF04.3 |
ZY624.4.00 |
60 |
61 |
112 |
80 |
20 |
65×3.1 |
18 |
6.72 |
YF04.4 |
|
| 标记示例:终端法兰34 ZY624.1.00 |
|
|
|
| |
|
|