一、使用条件 |
YXQ型油流发讯器用于稀油润滑系统。通过它可直观地观察到油流流动状况并可通过其发讯装置发出油量不足或断流信号,从而实现远距离监视或控制,适用介质为粘度等级N22~N460的润滑油。
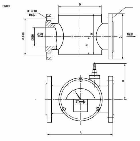
通径DN10~50为螺纹连接,DN80为法兰连接。公称压力为0.4MPa
|
 |
|
| 二、技术参数 |
型号 |
公称通径
DN |
公称压力
MPa |
连接螺纹
d |
L |
D |
H |
h |
B |
D1 |
S |
重量
kg |
YXQ-10 |
10 |
0.4 |
G3/8" |
136 |
80 |
71 |
30 |
75 |
47.3 |
41 |
2.1 |
YXQ-15 |
15 |
0.4 |
G1/2" |
136 |
80 |
71 |
30 |
75 |
47.3 |
41 |
2.1 |
YXQ-20 |
20 |
0.4 |
G3/4" |
136 |
80 |
71 |
30 |
75 |
52 |
47 |
3.5 |
YXQ-25 |
25 |
0.4 |
G1" |
160 |
100 |
96 |
35 |
85 |
60 |
52 |
3.8 |
YXQ-32 |
32 |
0.4 |
G1 1/4" |
160 |
100 |
101 |
40 |
85 |
66 |
58 |
4.2 |
YXQ-40 |
40 |
0.4 |
G1 1/2" |
190 |
110 |
101 |
45 |
90 |
76 |
66 |
4.5 |
YXQ-50 |
50 |
0.4 |
G2" |
200 |
110 |
112 |
50 |
90 |
92 |
80 |
4.8 |
YXQ-80 |
80 |
0.4 |
法兰DN80 |
200 |
170 |
190 |
80 |
~140 |
Φ200 |
Φ200 |
~9.8 |
|
| 三、外形尺寸 |
|
| 四、型号说明 |
|
|
| 五、电气参数 |
|
DN10~50、80 |
开关型式 |
交流二线制90~250V |
直流二线制10~30V |
直流三线制6~30V(NPN型) |
直流三线制6~30V(PNP型) |
应用场合 |
带动交流线圈、交流信号灯等 |
带动直流线圈、直流信号灯等 |
输入PLC(输入模块为NPN型) |
输入PLC(输入模块为PNP型) |
输出形式 |
常开 |
常开 |
常开 |
常开 |
输出电流 |
3~100mA |
5~40mA |
0~200mA |
0~200mA |
漏电流 |
1r≤2mA |
1r≤0.8mA |
1r≤0.4mA |
1r≤0.4mA |
开关压降 |
Ud≤3V |
Ud≤3V |
Ud≤0.1Vcc |
Ud≤0.1Vcc |
接线图 |
|
|
|
|
|
六、使用注意事项
1、油流方向与油流发讯器指示方向应相同。
2、开关必须通过负载后再接至电源,以免造成开关损坏。
3、输出形式如需常闭或输出电流有特殊要求在订货时应注明;若不注明接近开关型式,则配置PNP型直流三线型。 |