栏目导航
   电动润滑泵
   手(脚)动润滑泵
   加油泵
   双线分配器
   单线分配器
   换向阀、操纵阀及其附件
   稀油润滑装置及稀油站
   稀油润滑元件
   管件部分
   油气润滑元件
 
SLQ型双筒网式过滤器(0.6MPa)JB2302-78
一、使用条件
  本产品适用于公称压力为0.6MPa的稀油润滑系统中,具有清除润滑油中杂质使供给润滑点的油达到洁净的功能,小型的为整体式,较大的为组合式,分别由二组过滤筒和一个三位六通换向阀组成,工作时一筒工作,一筒备用,可实现不停车切换过滤筒,达到循环润滑系统不间断工作的目的。
二、技术参数

公称
通径
DN
mm
公称
压力
MPa
过滤
面积
m2
运 动 粘 度 cSt
重量
kg
28
46
67
89
326
过 滤 精 度 mm
0.08
0.12
0.08
0.12
0.08
0.12
0.08
0.12
0.08
0.12
过 滤 精 度 mm
SLQ-32
32
0.6
0.082
130
310
120
212
63
161
28.5
68.7
18.7
48.8
81.7
SLQ-40
40
0.21
330
790
305
540
160
384
72.3
175
48
125
115
SLQ-50
50
0.31
485
1160
447
793
250
565
106.5
256
69
160
203.8
SLQ-65
65
0.52
820
1960
760
1340
400
955
180
434
106
250
288
SLQ-80
80
0.833
1320
3100
1200
2150
630
1533
288
695
170
400
346
SLQ-100
100
1.31
1990
4750
1840
3230
1000
2310
436
1050
267
630
468
SLQ-125
125
2.20
3340
8000
3100
5420
1680
3890
730
1770
450
1000
1038.5
SLQ-150
150
3.30
5000
12000
4650
8130
2520
5840
1094
2660
679
1600
1185
条 件 粘 度 OE
4
6.3
9
12
44
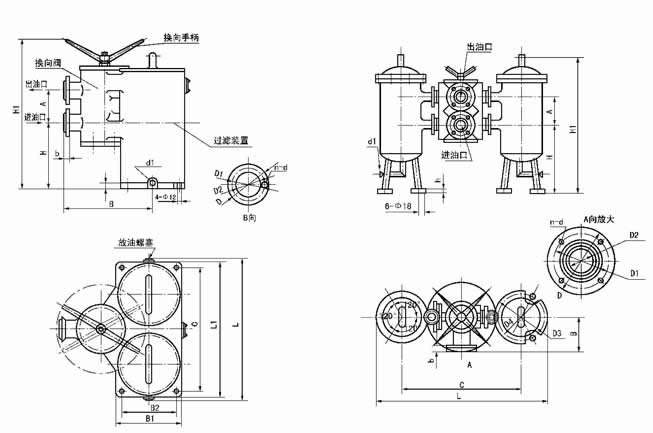
三、外形结构
SLQ-32,SLQ-40双筒网式过滤器(整体式)   DN≥50的SLQ型双筒网式过滤器(组合式)
四、外形尺寸
型号
公称通径DN
A
B
B1
B2
C
d1
D3
D4
H
SLQ-32
32
140
250
186
154
344
G3/8"
-
-
145
SLQ-40
40
165
265
222
184
410
-
-
180
SLQ-50
50
190
165
-
-
693
G1/2"
330
280
355
SLQ-65
65
200
170
-
-
713
374
300
395
SLQ-80
80
220
202
-
-
830
G3/4"
374
320
500
SLQ-100
100
250
202
-
-
895
442
400
610
SLQ-125
125
260
240
-
-
1200
G1"
755
600
640
SLQ-150
150
300
240
-
-
1200
755
600
860
续上表
型号
H1
L
L1
h
时出油口连接法兰尺寸
D1
D2
b
d
n
SLQ-32
440
397
386
20
135
100
78
18
18
4
SLQ-40
515
480
447
145
110
85
SLQ-50
800
1023
-
160
125
100
20
SLQ-65
860
1097
-
180
145
120
SLQ-80
990
1202
-
195
160
135
22
8
SLQ-100
1190
1337
-
215
180
155
SLQ-125
1270
1955
-
30
245
210
185
24
SLQ-150
1530
1955
-
280
240
210
23
五、型号标注说明
    
六、工作原理
  1、本型式过滤器由一六通换向阀及二组过滤装置组成,置于油泵出口及冷却器前端,正常工作时,一组过滤装置启用,另一组被换向阀封闭备用。
  2、阀片式六通换向阀为手动,工作过程中,截止备用过滤装置连通工作中的过滤装置,阀上部有通、止标记,在工作压力≤6kgf/cm2可不停机换向。
  3、过滤装置为二组,一组工作,一组备用。在工作中过滤装置需要维修清洗时,可启动另一组备用过滤装置投入工作,而不影响主机正常工作。
  4、系统图
七、使用说明
  1、当过滤器的进出口压力差≥0.5kgf/cm2时,说明过滤装置中的滤芯已被机械杂质阻塞,应及时清洗或更换滤芯,同时也应清洗筒体。
  2、在正常工作时过滤器的进出口压差应≤0.035MPa。
八、订货须知
  订货时必须注明所需的过滤精度值,不注明的均按0.12mm供货。